ANDON 高溫200℃封閉框架ICDIP插座,帶支架
發布時間:2021-07-05 17:09:38 瀏覽:2329
ANDON的高溫200℃ DIP插座選用絕緣質料舉行集成和模壓,以完成非常佳的機械安全性。這些插座配有模壓支架,以完成非常大的焊接可視性。特色包含:非常大的絕緣籠蓋局限,以防備在高打擊和振動環境短路。一個易于裝備插入的引入倒角,一個關閉的底部,以防備焊料芯吸進入觸碰地區,以及用于精確安置在PCB。
ANDON的高溫200℃ DIP插座上的剛性端子是阻燃劑,可處分高達250℃的溫度,并由高溫鄰苯二甲酸二烯丙酯perMIL-M-14G,SDG-F型制作完成。

特殊功能和好處:
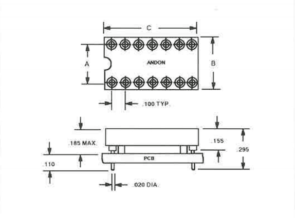
雙列直插式插座,用于低剖面、高密度包裝。
插座接管圓形或扁平引線的封裝。
插座一端的切口,用于分度定位
模壓剛性焊接端子在安置到PC板上時不會蜿蜒
端子/觸點組件-與絕緣質料集成和模制,以完成非常佳的機械安全性。為焊接可視性供應模壓支架。
非常大的絕緣籠蓋,以防備在高打擊和振動環境短路。
引入倒角,便于插入裝備
關閉的底部防備焊料芯進入觸碰地區。
高溫鄰苯二甲酸二烯丙酯/MIL-M-14G,SDG-F型,阻燃劑,溫度局限高達250℃。
ANDON為全世界客戶提供了高性能電源插座產品,如CCD、光電、傳感器、電池等項目。產品廣泛運用于研發設計、軍事及高溫環境工程。深圳市立維創展科技有限公司,授權代理銷售ANDON產品,歡迎咨詢。
詳情了解ANDON請點擊:/brand/76.html
或聯系我們的銷售工程師:0755-83642657 QQ: 2295048674
上一篇: Bird射頻便攜式功率計
推薦資訊
Hypertronics的H系列連接器是矩形框的高密度模塊化解決方案,集成化了信號、電源模塊和同軸觸點。Hypertronics H系列連接器是車輛、鐵路、國防安全、航空航天和工業市場檢測應用的理想化選擇。
?Hypertronics?濾波器式機架面板連接器包括ARINC 404、ARINC 600和MIL-DTL-83527外殼類型。Hypertronics的設計滿足或超過了每個系列的所有適用要求,可以與標準的非過濾器連接器進行匹配和互換。通過Hypertronics的串聯濾波器適配器,可以方便地升級到EMI/瞬態保護,而無需修改系統。Hypertronics適配器的設計目的是在現有插頭和插座之間安裝,而不需要重新布線或拆裝系統。
在線留言