Norsat ATOMSKU016S1 20W Ku波段BUC/SSPA
發布時間:2025-08-14 09:04:44 瀏覽:1443
Norsat 的ATOMSKU016S1是一款衛星通信放大器系統,頻率為 14 至 14.5 GHz,飽和功率為 20 W,P1dB 16 W,小信號增益為 60 dB(線性增益),功率為 42.04 dBm。

頻率覆蓋
標準頻段:14.0–14.5 GHz(可擴展至13.75–14.5 GHz選配)
中頻輸入:950–1450 MHz(標準)/950–1700 MHz(擴展)
本振頻率:13.05 GHz(標準)/12.80 GHz(擴展)
相位噪聲:低至-102 dBc/Hz@1MHz(滿足高靈敏度通信需求)
功率性能
飽和輸出(Psat):20W(44 dBm)
1dB壓縮點(P1dB):16W(42 dBm)
增益特性:
線性增益≥60 dB
增益平坦度:≤6 dB(全頻段)/≤2 dB(40MHz帶寬)
接口與防護
電源輸入:+18V至+56V寬壓DC(通過MIL-26482軍用級4針連接器)
射頻接口:
輸入:N型防水接頭(50Ω)
輸出:WR-75波導槽(兼容高功率傳輸)
監控接口:RS-485/RS-232雙協議,支持遠程配置
結構特性
尺寸:164×91×181 mm(緊湊型設計,適配移動站部署)
散熱方案:內置風扇+可選外置基板散熱(適應極端環境)
溫度范圍:
工作:-40°C至+60°C(北極/沙漠場景可用)
存儲:-50°C至+80°C
濕度:100%冷凝防護(IP67等效)
電磁兼容:可選MIL-STD-461認證EMI濾波器
典型應用場景
衛星通信:VSAT地面站、應急通信車
軍事用途:野戰移動終端(符合MIL-STD-1275D浪涌防護)
廣播傳輸:高清視頻上行鏈路(低相位噪聲保障信號純凈度)
訂購指南:

Norsat公司是通信解決方案的提供商,公司的產品線包括微波組件、便攜式衛星系統、海上解決方案、遠程網絡解決方案以及設備融資,Norsat的產品和解決方案廣泛應用于政府、軍隊、交通、資源和海洋產業等多個領域。深圳市立維創展科技有限公司,優勢代理銷售Norsat產品,歡迎咨詢。
推薦資訊
RFCR8990同軸隔離器是高性能射頻隔離器,可在射頻信號傳輸中起隔離作用,防止信號反射和干擾以提升系統性能與穩定性。其主要參數涵蓋頻率范圍12400 MHz - 18000 MHz、插入損耗典型值小于0.50 dB等多項,功率處理能力適用于高功率應用,能在 -40°C至 +85°C(工作)、 -40°C至 +95°C(存儲)的溫度環境穩定工作,適用于無線通信、雷達系統等多領域,可提高信號傳輸穩定性與可靠性。
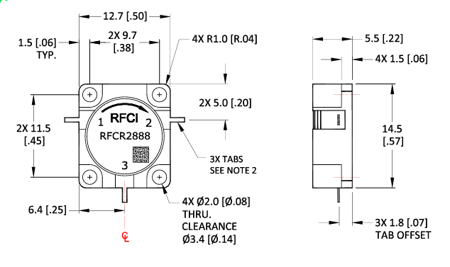
RFCR2888是一款高性能的嵌入式X波段同軸環形器,具備8000至10500 MHz的寬頻率范圍、低插入損耗(小于0.35 dB)、高隔離度(大于22 dB)以及良好的回波損耗(大于22 dB),設計緊湊且能夠承受高達500瓦的正向功率和35瓦的反向功率,適用于雷達、通信和電子對抗等高頻應用場景。
在線留言